HYDRO

Polypropylene trench drain for pedestrian use and occasional car traffic, for areas of low hydraulic requirements.
MAIN ADVANTAGES:
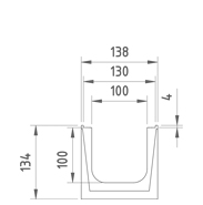
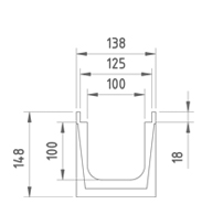
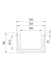
- Different trench drain widths: 100-200
- No profile
- Gratings available in galvanized steel, stainless steel, composite or ductile cast iron
- Compatible with all ranges of gratings available for polymer concrete
- Lightweight and easy to transport
- Load class up to C250 (according to model)
APPLICATIONS:
- Inner streets, squares, playgrounds, schools, parks, gardens..