Forjatu fronteak

Forjatu fronteak
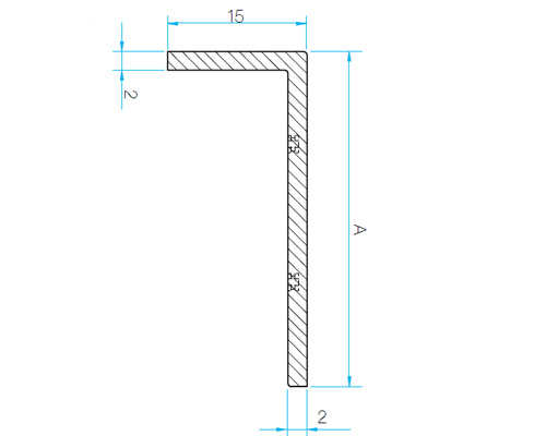
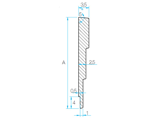
  • Forjatu fronteak eraikin bateko solairu bakoitzeko zoruaren egituraren frontala nahiz eraikinaren balkoiak eta terrazak estaltzen dituen piezak dira. Ura sartzea ekiditen dute.

Proiektuak

Aurrealde esklusiboak dituzten etxebizitzen eraikina
Aurrealde esklusiboak dituzten etxebizitzen eraikina

Polimero hormigoiz neurrira aurrefabrikatutako balkoi

Eraikin bat birgaitzeko, ULMA terraza-aurrealdeak prefabrikatuak neurrira
Eraikin bat birgaitzeko, ULMA terraza-aurrealdeak prefabrikatuak neurrira

Las Lomas – Valladolid: jatetxetik osasun-zentrora

Irauteko pentsatutako birgaikuntza
Irauteko pentsatutako birgaikuntza

Forjazko aurrealde babestuak eta iraunkorrak

Eraikin zaharrak hondartzako lehen lerroan
Eraikin zaharrak hondartzako lehen lerroan

Babestu itzazu kresaletik eta hezetasunetik material honekin

Gandia hondartzako Bonaire eraikina birgaitzea
Gandia hondartzako Bonaire eraikina birgaitzea

Bonaire eraikina, 70eko urteetatik Gandian ikonoa den eraikina, birgaitzeko lanen sekretuak

Nola luzatu fatxaden bizitza kostaldeko eremuetan
Nola luzatu fatxaden bizitza kostaldeko eremuetan

Gazitasunarekiko erresistentzia handiko piezak, eta arinak, errazago instalatzeko

Katalogoak

Aurrefabrikatuen Dossierra

Aurrefabrikatuen Dossierra

Deskargatu
Aurrefabrikatuen Liburuxka

Aurrefabrikatuen Liburuxka

Deskargatu