Low traffic trench drains URBAN
Polymer concrete trench drains for pedestrian use and occasional car traffic for all types of hydraulic requirements.
MAIN ADVANTAGES
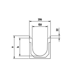
- Different trench drains widths : 100-150-200-250-300
- No profile or with galvanized or stainless steel profile
- Gratings available in stainless, galvanized steel or ductile cast iron with various grating fastening systems
- Possibility of built-in slope, mixed slope or cascade slope.
- Load class up to C250 (according to model)
APPLICATIONS:
- Pedestrian areas, sports facilities, residential complexes, car parks for light vehicles...
- It is recommended to use a trench drain with a built-in profile, especially in the case of finishing with concrete or asphalt paving and/or frequent passage of vehicles.
Projects
Amédée Domenech Stadium: the unseen importance
Cable conduits with tool-free Rapidlock.
The proof is in the pudding
Highly durable trench drains in landmark projects
ULMA trench drains at Deportivo Alavés training sport facilities
More than 200 linear metres have been installed for the conditioning of the facilities with artificial grass.
Cascaded drainage solution for the Arena MRV
The tenth largest football stadium in Brazil