Schwerlast-Entwässerungsrinnen - Civil F

Schwerlast-Entwässerungsrinnen - Civil F

Entwässerungsrinnen aus Polymerbeton für hohe Belastungen und alle hydraulischen Anforderungen

WICHTIGSTE VORTEILE:

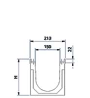
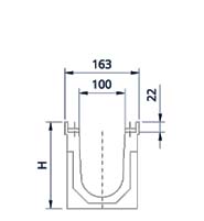
  • Verschiedene Rinnenbreiten:100-150-200-250-300-400
  • Profil aus verzinktem Stahl / duktilem Gusseisen
  • Abdeckungen aus verzinktem Stahl oder duktilem Gusseisen
  • 8 Befestigungspunkte
  • Möglichkeit eines eingebauten Eigen-, Misch- oder Stufengefälles
  • Befestigungssystem mit 8 Schrauben pro Laufmeter.
  • Belastungsklasse bis F900

ANWENDUNGEN:

  • Tankstellen, Be- und Entladebereiche in Häfen, Industriehallen, Flughäfen, Parkplätze für Schwerfahrzeuge, öffentliche Straßen usw.

Ausschreibungstexte

Projekte

Humanisierung des Städtebaus
Humanisierung des Städtebaus

Neugestaltung des Paseo Doctor Alemany (Cullera)

ULMA-Entwässerung im Hafen von Choisy-le-Roi, an den Ufern der Seine
ULMA-Entwässerung im Hafen von Choisy-le-Roi, an den Ufern der Seine

Kosteneinsparung bei der Entwässerungslösung und Bauausführung

Olympische Werte, die uns inspirieren
Olympische Werte, die uns inspirieren

Die drittgrößte Eissporthalle Frankreichs

ULMA-Entwässerungsrinnen im neu eröffnete Lidl-Markt in Barcelona
ULMA-Entwässerungsrinnen im neu eröffnete Lidl-Markt in Barcelona

Die Supermarktkette Lidl entscheidet sich erneut für unsere F- und MultiV+-Systeme für ihr größte Niederlassung in Spanien

Entwässerungsrinnen in der Kraków Arena- Polen
Entwässerungsrinnen in der Kraków Arena- Polen

Installation von Entwässerungsrinnen in der Kraków Arena

Costco Wholesale Vertraut  auf ULMA- Entwässerungsrinnen
Costco Wholesale Vertraut auf ULMA- Entwässerungsrinnen

Das nordamerikanische multinationale Unternehmen Costco Wholesale vertraut auf ULMA-Entwässerungssysteme für seine Filialen in Sevilla und Getafe (Madrid).

Zuverlässige Entwässerungsrinnen höchster Qualität
Zuverlässige Entwässerungsrinnen höchster Qualität

Sanierung der Straßenbahn-Haltestelle Jean Medecin in Nizza (Frankreich)

Wählen Sie die besten Entwässerungskanäle für Ihr Projekt
Wählen Sie die besten Entwässerungskanäle für Ihr Projekt

Neues Lade- und Transportterminal im Hafen von Barcelona

Ein Platz, eine Sehenswürdigkeit schlechthin
Ein Platz, eine Sehenswürdigkeit schlechthin

Der größte als Fußgängerzone ausgewiesene Platz der Europäischen Union

Absatzsicherer Rost, das absatzsichere Rost-Design für Passanten
Absatzsicherer Rost, das absatzsichere Rost-Design für Passanten

Wenn es maßgeschneidert werden kann, wird es maßgeschneidert

Urbane Entwässerungslösung von ULMA für das Hafen- und Gewerbegebiet
Urbane Entwässerungslösung von ULMA für das Hafen- und Gewerbegebiet

Entwässerungsrinnen für Infrastrukturmaßnahmen mit Schlitzrinnen

Die Bedeutung der Beseitigung von Wasserpfützen und wie diese gelingt
Die Bedeutung der Beseitigung von Wasserpfützen und wie diese gelingt

Rast- und Parkanlage für Lkws Northampton, Großbritannien.

ULMA-Entwässerung auf dem Flughafen São Paulo-Guarulhos
ULMA-Entwässerung auf dem Flughafen São Paulo-Guarulhos

Guarulhos ist der Flughafen mit dem meisten Flugverkehr in Brasilien und Lateinamerika

ULMA-Entwässerungsrinnen im Hafen von Neapel in  Italien
ULMA-Entwässerungsrinnen im Hafen von Neapel in Italien

Im Hafen von Neapel wurde ein komplettes Ableitungssystem installiert. Bei den technischen Polymerbetonrinnen, mit einer Belastungsklasse von F900 und 2,5% Eigengefälle, wurde hier eine Rinne verbaut die auf dem Markt ihresgleichen sucht.

Dokumentation

Technisches Dossier

Technisches Dossier

Herunterladen
ULMA_Magazin

ULMA_Magazin

Herunterladen