Heavy duty drainage channels CIVIL - F

Polymer concrete drainage channels for heavy duty and all types of hydraulic requirements.
MAIN ADVANTAGES:
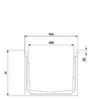
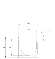
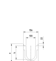
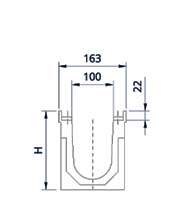
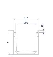
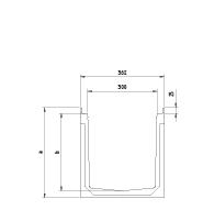
- Different channel widths: 100-150-200-250-300-400
- Galvanized profile / ductile cast iron
- Gratings available in galvanized steel or ductile cast iron
- 8 fixing points
- Possibility of built-in slope, mixed slope or cascade slope
- Fixing system via 8 screws per linear metre.
- Load classes up to F900
APPLICATIONS:
- Service stations, port loading and unloading areas, industrial buildings, airports, heavy vehicle car parks, public roads.
Projects

The importance of preventing flooding and how to achieve this
Northampton Service Station and Lorry Park, United Kingdom

ULMA drainage channels in Ibrox Football Stadium, Glasgow, Scotland
Versatility of our drainage channels

Costco Wholesale opts for ULMA Drainage Channels
The North American multinational company Costco opts for ULMA drainage systems for its stores in Seville and Getafe (Spain)

Lord´s Cricket Ground in London with ULMA drainage channels
The home of cricket trust in ULMA for its update.

Heelproof grating: the people-friendly drainage solution
Wherever customisation is possible, it is offered

ULMA channels at the newly opened Lidl store, Barcelona
Once again, the Lidl supermarket chain opts for our F and MultiV+ systems for its largest store in Spain

Olympic values that inspire us
The third largest ice rink in France

An iconic square
The largest pedestrianised square in the European Union

ULMA drainage in the Port of Choisy-le-Roi, on the banks of the Seine
Savings in the cost of the drainage solution and in the execution of work

ULMA urban drainage solution in the port and commercial area of Bandol
Drainage channels for civil works with single-slot grating

How we ensure the best drainage solution for your project!
New loading and transport terminal at the Port of Barcelona